
- Capçals de tapa: 2 unitats de conducció servo-moto
- Tensió: 220V, 50/60HZ;
- Potència: 3,0 kW
- Pressió de l'aire: 0,5-0,7Mpa
- Amperi: 8,5 A
- Velocitat: 40-45/min (personalitzat segons les formes i mides dels pots)
- Diàmetre del producte adequat: tapes de φ28-φ125mm (personalitzat no estàndard)
- Taxa de pas de la glàndula: ≥99,5% (Depenent de l'error de la tapa i de l'ampolla)
- Mida de la màquina: 3300 * 1150 mm * 1908 mm
- Pes: 450 kg
Abans d'encendre la màquina. Si us plau, llegiu atentament aquest manual per a qüestions de seguretat i l'ús correcte de la màquina. Per evitar accidents de personal i reduir la freqüència de danys a la màquina.
En el cas de productes corrosius, vetllar per evitar que els objectes corrosius toquin o esquitxen la pròpia màquina i el personal.
- Eviteu utilitzar la màquina en llocs subjectes a vibracions o col·lisions.
- Quan la màquina està en marxa, el cos del personal no pot tocar les parts mòbils.
- S'ha d'evitar la màquina en llocs excessivament humits. I introduïu-lo a la font d'alimentació, el cable de terra posat a terra correctament, per evitar un accident de seguretat.
- L'operador ha de mantenir un estat físic i mental normal. Si preneu alcohol, pastilles per dormir o altres drogues que perjudiquen el vostre estat mental, deixeu d'utilitzar la màquina.
- L'operador ha de portar roba adequada per evitar lesions causades per la implicació de la roba a les parts rodants i no ha de col·locar cap element estrany a la màquina.
- Si es produeixen sorolls o altres anomalies durant l'ús, atureu-vos immediatament i comproveu. Els tècnics no tècnics, si us plau, no transferiu peces de la màquina arbitràriament.
- Manteniment i cura periòdics (un cop/setmanal), evitant esquitxades d'aigua o qualsevol líquid i caixes de control electrònic, o altres components elèctrics en netejar la màquina.
- Si us plau, opereu segons els procediments operatius normals i mantingueu la superfície de la màquina neta i ordenada.
La màquina tapadora s'aplica a tot tipus de cosmètica, medicina, medicina veterinària, pesticides, oli lubricant i altres camps industrials en el procés d'envasat.





Principi i característiques de la màquina de tapar pots:
- Control automàtic elèctric, és estable;
- Amb dispositiu de posicionament de tapa, coberta bloquejada estàndard, l'operació és convenient;
- El bloqueig cobreix una àmplia gamma, pot girar diverses especificacions de formes de tapa;
- La velocitat de limitació, la presó del gir, també pot ser simultàniament segons la necessitat d'ajustar l'estanquitat del rebobinat.


Paràmetres bàsics de la màquina de tapar de pots cosmètics:

1. Capçals de tapa: 2pcs servo-moto conducció
2. Tensió: 220V, 50/60HZ;
3. Potència: 3.0Kw
4. Pressió de l'aire: 0,5--0,7Mpa
5. Amperi: 8,5A
6. Velocitat: 40-45/min (personalitzat segons les formes i mides dels pots)
7. Diàmetre del producte adequat: tapes φ28-φ125mm (personalitzat no estàndard)
8. Taxa de superació de la glàndula: ≥99,5% (Depenent de l'error de la tapa i de l'ampolla)
9. Mida de la màquina: 3300*1150mm*1908mm
10. Pes:450kg
Descripció de la part de l'amfitrió


Interruptor d'alimentació: control de la font d'alimentació on---off.
Indicador d'alimentació: encès: llum verda encès, apagat --- llum verda apagada.
Parada d'emergència: s'utilitza per aturar la màquina immediatament o per restablir la funció durant una emergència o una fallada.
1. Inici fotoelèctric: La màquina està en funcionament, quan la detecció fotoelèctrica detecta que hi ha una ampolla i té tapa, la plataforma giratòria pot començar a funcionar. Si no es detecta cap dels dos fotoelèctrics, la plataforma giratòria no gira.
2. Origen fotoelèctric: S'utilitza per controlar el motor pas a pas per impulsar el posicionament de la plataforma giratòria, de manera que l'ampolla es pugui inserir a la coberta sense problemes.
3. Tapa fotoelectricitat: Comproveu si la coberta està al seu lloc i detecteu fotoelèctricament que hi ha una placa giratòria de coberta per girar.
4. Coberta fotoelectricitat: Controlant l'inici i l'aturada de la màquina de coberta superior, quan la coberta proporcionada per la màquina de coberta superior s'ordena a la posició detectada pel fotoelèctric, la fotoelectricitat sempre és brillant, la màquina de coberta s'atura per a la coberta i s'implementa la coberta intel·ligent. .
5. Tancament de la coberta fotoelectricitat: Quan passa l'ampolla amb la tapa, es detecta la detecció fotoelèctrica i la coberta del bloqueig s'activa segons el temps de retard establert (els paràmetres específics s'ajusten segons la velocitat de la cinta transportadora quan s'ajusta la màquina).
6. Sistema de coberta de bloqueig: L'ampolla amb la tapa és la mateixa, el retard de l'inici fotoelèctric, el retard de l'ampolla de la pinça del cilindre, la tapa de bloqueig es baixa, la tapa de l'agafador - la tapa de rosca - l'alliberament de la pinça - la tapa de bloqueig s'aixeca - l'ampolla de clip s'afluixa, i s'ha completat el procés de la tapa del bloqueig. A la coberta del bloqueig, quan la coberta del bloqueig 1 # està a la coberta del bloqueig, entra una altra ampolla. En aquest moment, el cilindre de l'ampolla de pinça 2 # es mou i la coberta de bloqueig 2 # s'activa per bloquejar la coberta. (Quan la tapa que ha estat bloquejada pel capçal de bloqueig 2 # passa per l'ampolla de clip 1 #, no repetiu el tapa de pany.

Descripció de la interfície home-màquina

Pàgina d'arrencada
3.1 La pàgina d'arrencada té una selecció d'operacions en anglès, xinès, si trieu el botó xinès, introduïu la interfície següent:

Segona interfície
Atura: L'interruptor d'inici de tota la màquina, toqueu aquesta tecla, la màquina funciona en mode automàtic, torneu a tocar aquesta tecla, la màquina deixa de funcionar.
Porta de prova: Prova el funcionament de la màquina.
Velocitat de la placa giratòria: Com més gran sigui el paràmetre de velocitat, més ràpida és la velocitat, més lent serà el paràmetre de velocitat.(Però hi ha un límit màxim.)。
Retard de la placa giratòria: Configuració del temps d'engegada de la placa giratòria, d'acord amb l'efecte suau de la plataforma giratòria que s'estableix.
Retard del límit: Després de la plataforma giratòria a l'estació designada, retardeu el temps d'espera, la tapa d'acció del cilindre.
Temps de limitació: El temps necessari per segellar el cilindre.
Sortida: Completeu el registre del nombre de coberta de pany, recompte de producció convenient. Premeu la tecla de restabliment per esborrar.
X1. X3. X14: Comproveu si el fotoelèctric es troba en l'estat de treball de la reflexió, fàcil de veure el funcionament de l'estat de la màquina,
Paràmetre de limitació: Premeu aquesta tecla i entreu a la interfície següent:

La interfície és una pàgina de paràmetres que s'ha d'establir per a cada acció del capçal de bloqueig 1 # al sistema de coberta de bloqueig del servo, la configuració raonable dels paràmetres és beneficiosa per a l'estabilitat de la màquina i la millora de l'eficiència.
Tornada: Premeu aquest botó per tornar a la segona interfície.
E/S: Premeu aquest botó per entrar a la interfície següent:

Punts de la sèrie X: És el punt d'entrada per detectar si el fotoelèctric està en estat de treball, fàcil de veure el funcionament de la màquina, fàcil manteniment.
Punts de la sèrie Y: És el punt de sortida dels components executius de l'estat normal de retroalimentació, també es pot prémer manualment la tecla de control per provar si els components d'execució són normals.
Sistema d'alimentació de taps: Pot ser estable i ordenat segons la direcció prescrita per cobrir.
Ajust de la inclinació: Es pot ajustar un angle raonable per controlar que la tapa inversa no s'enfili al tobogan.
Regulació del convertidor de freqüència: controlar la velocitat de la coberta.


Manteniment de l'equip de tapa de pots:
1. Mantenir la màquina en condicions d'apagada i gas apagat per garantir la seguretat. Mantingueu la màquina neta i ordenada, sense articles diversos a la màquina, sense articles petits, accessoris, cargols, etc.
2. I l'oli lubricant s'afegeix regularment al mecanisme de la part mòbil per garantir un bon estat de funcionament del mecanisme.
3. Allibereu l'aigua de la unitat de filtre d'aire amb regularitat i afegiu oli lubricant per garantir un ús adequat del cilindre i allargar la vida útil.
4. Revisar i reparar la màquina regularment. Jutgeu l'estat de funcionament de l'equip a través de la vista i l'oïda per assegurar-vos que la màquina funciona bé.
Nota: si us plau, utilitzeu i mantingueu-lo d'acord amb les instruccions, el període de garantia està estrictament prohibit per obrir i desmuntar, en cas contrari, els danys causats per això com a danys humans, sense reparació gratuïta. Aquesta instrucció està subjecta a canvis sense previ avís; Si encara hi ha alguna incertesa sobre el funcionament d'aquesta màquina, truqueu-nos en qualsevol moment per fer-nos preguntes
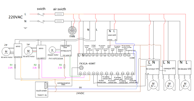
Esquema elèctric adjunt:

Les tapes segellades acabades mostren la màquina de tapar de pots:





Marques: per als flascons quadrats negres a causa que els taps són susceptibles de ser ratllats, està dissenyat amb el sistema de recollida per treure els taps dels pots de les safates i posar-los a l'estació preparada per taponar per al procés de tancament de tapa. El principi de funcionament detallat s'il·lustra a continuació: Procés de treball:
1. Posar manualment els taps a la safata (15*15 o 10*10)

2. Posar les safates a l'estació de recollida preparada
3. Robots que recullen els pots

4. Col·locació de les ampolles i acabat del procés de tapat
5. Sortida de pots tapats











