
- Velocitat de tapat: 15-30 peces/min
- Tensió nominal: 110V/60Hz (estàndard dels EUA)
- Potència de la màquina: 0,8 kW
- Amperi: 2,2 A
- Mida exterior: 2230 * 1460 * 1600 MM (L * W * H)
- Pressió de l'aire: 0,7 MPa
- Pes: uns 300 KG
Notificació abans d'engegar la màquina de taponar ampolles
1: Abans de connectar la màquina, assegureu-vos que l'interruptor d'alimentació estigui en estat tancat i, a continuació, seguiu les instruccions.
2: Si la màquina no funciona durant molt de temps, s'ha de netejar amb un drap sec i no s'ha de netejar amb cap agent de neteja corrosiu.
3: Està estrictament prohibit introduir qualsevol líquid a la caixa elèctrica de la màquina, per evitar la corrosió dels components elèctrics interns i provocar un curtcircuit.
4: Comproveu segons la llista d'embalatge de l'equip els models, les especificacions i la quantitat d'equips i materials per assegurar-vos que compleixen els requisits de disseny i estàndards de producte i acompanyats de certificats de conformitat.
5: Comproveu l'aspecte de l'equip per assegurar-vos que està lliure de qualsevol deformació, dany i corrosió, i tots els cargols que haurien de girar de manera flexible sense cap bloqueig.
6: Aquesta màquina funciona amb una CA monofàsica de 110 V i l'endoll pla de 3 potes s'ha de connectar a la presa d'alimentació amb un cable de terra.
Paràmetres tècnics

- Velocitat de tapat: 15-30 peces/min
- Tensió nominal: 110V/60Hz (estàndard dels EUA)
- Potència de la màquina: 0,8 kW
- Amperi: 2,2 A
- Mida exterior: 2230 * 1460 * 1600 MM (L * W * H)
- Pressió de l'aire: 0,7 MPa
- Pes: uns 300 KG
Màquina de tapatge en detalls:



Estructures de la màquina

Descripció de l'ull elèctric de fibra òptica
Ull elèctric per detectar ampolles:

Quan s'utilitza en mode automàtic, la finalitat d'aquest ull elèctric és detectar ampolles entrants.
Quan es detecta l'ampolla entrant, la "placa giratòria" gira.
Ull elèctric de lliurament de tapa

Quan s'utilitza en mode automàtic, la finalitat d'aquest ull elèctric és detectar les cobertes entrants.
Quan es detecta la tapa d'entrada, el "mecanisme de sortida" s'eleva per agafar material.
Ull elèctric de lliurament de tapa

Quan funciona en mode automàtic: La finalitat d'aquest ull elèctric és detectar ampolles entrants.
Quan es detecta l'ampolla entrant, el "mecanisme de la tapa de bloqueig" gira la tapa de bloqueig cap avall.
Botó de commutació i port de cablejat
Pantalla tàctil i parada d'emergència

Motor d'alimentació i controlador de placa vibratòria de la tapa

Controlador de placa vibratòria

Controlador de placa de vibració: ajustant la tensió, ajusteu la velocitat de descàrrega.
Interruptor d'alimentació i endolls

Controlador de motor

Transformador de freqüència: ajustant el botó del transformador de freqüència, ajusteu la velocitat del motor.
Alarma i mètode de resolució de problemes:
1. S'ha premut la parada d'emergència. Premeu les parades d'emergència a la tapa de la màquina i al costat de la pantalla tàctil.
2. La sortida arriba al valor establert. Establiu la sortida, premeu el botó d'esborrar per esborrar la sortida actual.
3. Quan no es detectin caps durant un llarg període de temps, comproveu-ho. Comproveu la fibra d'inducció del tap de l'ampolla per saber si està ben subministrada. Comproveu si hi ha taps al seu lloc o no.
4. Quan les ampolles no es detectin durant un llarg període de temps, comproveu-ho. Comproveu si les ampolles estan al seu lloc.
Ajust elèctric dels ulls:
Estructura de l'amplificador

Diagrama per a fibra òptica:

1. Barra de bloqueig de fibra òptica
2. Indicador d'estat de funcionament
3. Conjunt
4. Llum indicador DSC
5. Monitor digital
6. Botó manual
7. Coberta de protecció estesa
8. Connector d'expansió
9. Interruptor selector d'alimentació
10. Botó de mode
11. Selector de sortida
12. Cables
13. Protector de pols
14. Establir valor (en verd)
15. Valor actual (en vermell)
Procés de treball per a la configuració de fibra òptica
- Quan l'ull elèctric cau a la bretxa, el valor de corrent vermell és 144.
- Quan l'ull elèctric cau a l'etiqueta, el valor de corrent vermell és 4.
- Ajusteu el valor establert", aproximadament 1/2 del valor que l'ull elèctric es troba al paper del cos (a l'espai entre els objectes a detectar) i el valor que l'ull elèctric està al paper, el valor establert és (144 4)/2 = 74, ajusteu el botó manual per ajustar el valor establert a 74.
- Moveu la bretxa de l'etiqueta cap endavant i cap enrere a la ubicació de l'ull elèctric i la "llum de senyal/indicador" vermella.
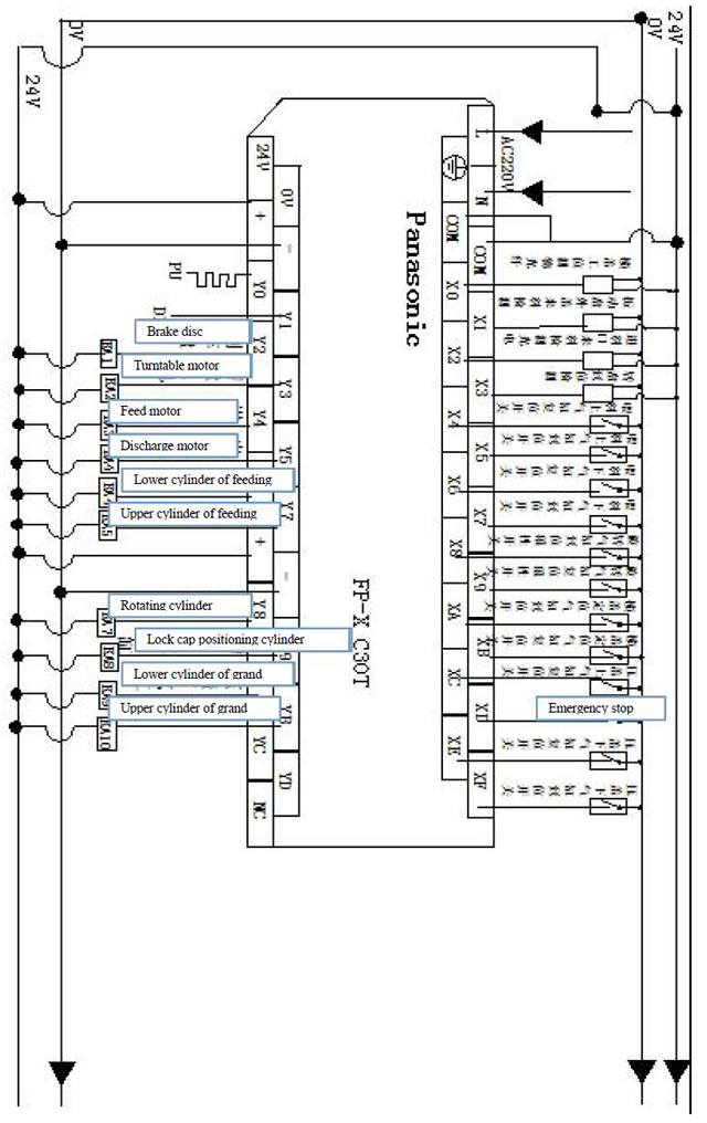
Diagrama de circuits



Tapadora d'ampolles de manteniment

1. Cal comprovar i mantenir la màquina per allargar la màquina i optimitzar la funció de la màquina;
- La màquina de treball s'ha de mantenir cada tres mesos;
- La peça de transmissió de coixinets i engranatges s'ha de lubricar amb greix;
- La lubricació s'ha de fer periòdicament;
- L'oli de la manera de lliscament (N68) s'ha d'afegir a la peça com el moviment del mecanisme alternatiu o l'aixecament dues vegades al dia;
- L'oli d'automòbil (N68) s'ha d'afegir a les peces rotatives o oscil·lants;
- Cada mig mes afegiu el greix a la ranura de la lleva;
- Cada mes una vegada per al broquet d'oli afegint el greix;
2. No utilitzeu mai eines metàl·liques per colpejar o raspar la superfície on es conglomera l'unió a les peces com ara components o motlle.
3. Si la màquina deixa de funcionar durant molt de temps, afegiu el greix per a la lubricació a les peces com la transmissió o la peça del coixinet; Tracteu també la màquina amb una protecció a prova d'aigua.
4. No col·loqueu mai cap objecte a la màquina per no fer-la malbé.
5. Netegeu la pols de l'interior dels components periòdicament, també comproveu tots els cargols i fixeu qualsevol cargol afluixat.
6. Comproveu el cablejat dels cargols dels terminals en un moment determinat i assegureu-vos que el cargol estigui fixat;
7. Comproveu si hi ha cap estació solta al camí del cablejat estirat des de les caixes elèctriques; Si la peça està massa fluixa, torneu a fixar el cargol per tal d'evitar l'abrasió o danys a la capa d'aïllament que poden provocar la fuita elèctrica.
8. Comproveu els taps de fàcil desgast i canvieu el danyat a temps;









